
SFE 精密螺桿 單螺母法蘭型 / E 型螺帽(大導程滾珠螺桿)
TBI滾珠螺桿SFE系列為高速型大導程螺桿,TBI絲桿E型螺帽型式是兼具外循環式及內循環式特點,在鋼珠滾動于螺桿與螺帽之間的滿槽而前進,在螺帽的尾端由端蓋循環器道引至螺帽本體的回流孔中,此種型式螺帽無雙螺帽,只有單螺帽。TBI滾珠絲桿E型大導程滾珠絲桿一般與外循環相同為多卷鋼珠一次循環,只是少了外循環管。
TBI螺桿原產地—臺灣
精度等級—C7級-C5級-C3級
SFE螺桿直徑——16mm—50mm
螺距(導程)—16mm、20mm、25mm、32mm、40mm、50mm、64mm
TBI滾珠絲桿長度——可根據要求定制
TBI絲桿SFE有效導程——可根據要求按提供圖紙定制
絲桿聯接軸徑——根據要求定做
TBI滾珠絲桿SFE系列為全新絲桿,如需要加工兩端請提供圖紙。

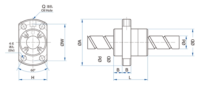
| 型號 Model No. |
滾珠螺桿、螺帽之基準參數 Dimensions 單位 : mm | |||||||||||||||
|---|---|---|---|---|---|---|---|---|---|---|---|---|---|---|---|---|
| d | I | Da | D | A | E | B | L | X | W | H | Q | n | Ca | Coa | K | |
| SFE01616-3 | 16 | 16 | 2.778 | 32 | 53 | 10.1 | 10 | 38 | 4.5 | 42 | 34 | M6 | 1.7x2 | 1021 | 2409 | 29 |
| SFE01616-6 | 16 | 2.778 | 32 | 53 | 10.1 | 10 | 38 | 4.5 | 42 | 34 | M6 | 1.7x4 | 1853 | 4818 | 57 | |
| SFE01632-3 | 16 | 32 | 3.175 | 34 | 55 | 10.5 | 10 | 34 | 5.5 | 45 | 36 | M6 | 0.7x2 | 518 | 1094 | 11 |
| SFE01632-6 | 32 | 3.175 | 34 | 55 | 10.5 | 10 | 34 | 5.5 | 45 | 36 | M6 | 0.7x4 | 939 | 2188 | 21 | |
| SFE02020-3 | 20 | 20 | 3.175 | 39 | 62 | 12 | 10 | 47 | 5.5 | 50 | 41 | M6 | 1.7x2 | 1321 | 3320 | 35 |
| SFE02020-6 | 20 | 3.175 | 39 | 62 | 12 | 10 | 47 | 5.5 | 50 | 41 | M6 | 1.7x4 | 2397 | 6640 | 67 | |
| SFE02040-3 | 20 | 40 | 3.175 | 38 | 58 | 11 | 10 | 41 | 5.5 | 48 | 40 | M6 | 0.7x2 | 582 | 1397 | 13 |
| SFE02040-6 | 40 | 3.175 | 38 | 58 | 11 | 10 | 41 | 5.5 | 48 | 40 | M6 | 0.7x4 | 1056 | 2794 | 26 | |
| SFE02525-3 | 25 | 25 | 3.969 | 47 | 74 | 14 | 12 | 57 | 6.6 | 60 | 49 | M6 | 1.7x2 | 1974 | 5188 | 43 |
| SFE02525-6 | 25 | 3.969 | 47 | 74 | 14 | 12 | 57 | 6.6 | 60 | 49 | M6 | 1.7x4 | 3583 | 10377 | 83 | |
| SFE02550-3 | 25 | 50 | 3.969 | 46 | 70 | 13 | 12 | 50 | 6.6 | 58 | 48 | M6 | 0.7x2 | 870 | 2183 | 16 |
| SFE02550-6 | 50 | 3.969 | 46 | 70 | 13 | 12 | 50 | 6.6 | 58 | 48 | M6 | 0.7x4 | 1579 | 4366 | 32 | |
| SFE03232-3 | 32 | 32 | 4.762 | 58 | 92 | 17 | 12 | 71 | 9 | 74 | 60 | M6 | 1.7x2 | 2876 | 8207 | 54 |
| SFE03232-6 | 32 | 4.762 | 58 | 92 | 17 | 12 | 71 | 9 | 74 | 60 | M6 | 1.7x4 | 5220 | 16414 | 106 | |
| SFE03264-3 | 32 | 64 | 4.762 | 58 | 92 | 15.5 | 12 | 62 | 9 | 74 | 60 | M6 | 0.7x2 | 1225 | 3282 | 20 |
| SFE03264-6 | 64 | 4.762 | 58 | 92 | 15.5 | 12 | 62 | 9 | 74 | 60 | M6 | 0.7x4 | 2223 | 6565 | 39 | |
| SFE04040-3 | 40 | 40 | 6.350 | 73 | 114 | 19.5 | 15 | 89 | 11 | 93 | 75 | M6 | 1.7x2 | 4600 | 13281 | 66 |
| SFE04040-6 | 40 | 6.350 | 73 | 114 | 19.5 | 15 | 89 | 11 | 93 | 75 | M6 | 1.7x4 | 8348 | 26561 | 128 | |
| SFE05050-3 | 50 | 50 | 7.938 | 90 | 135 | 21.5 | 20 | 107 | 14 | 112 | 92 | M6 | 1.7x2 | 6512 | 19430 | 80 |
| SFE05050-6 | 50 | 7.938 | 90 | 135 | 21.5 | 20 | 107 | 14 | 112 | 92 | M6 | 1.7x4 | 11820 | 38859 | 155 | |
在大導程系列絲桿選型時首先明確你使用滾珠絲桿的工作件的工作功率,及工作速度。然后選擇原動機,再設計傳動方案,滾珠絲桿屬于傳動方案中的一個機構。
TBI絲桿SFE系列選型的主要參數有:TBI絲桿外徑,導程。這兩個參數決定了滾珠絲桿的負載(負荷及速度),它們是標準值,通過上面說的條件進行計算選擇。還有一個在選擇絲桿進行考慮的參數:滾珠列數(負載回路列圈數也決定負載能力)。其它的外形尺寸,滾珠螺母是依據絲桿、列數、循環方式、安裝形式來確定,桿端尺寸及形式主要取決于安裝形式。
SFE系列大導程TBI滾珠螺桿看圖必看:
l:—-表示絲桿導程(SFE系列大導程型絲桿)
Da:—-表示滾珠絲桿直徑(SFE大導程系列絲桿)
n:—–表示絲桿螺母滾珠循環圈數
K:—–表示絲桿剛性
Ca:—-表示滾珠絲桿型號基本動載定負荷
Coa:—表示滾珠絲桿型號靜載定負荷
SFE系列螺桿產品應用:
CNC機械螺桿——-CNC加工中心、CNC車床、CNC銑床、CNC放電加工機、CNC磨床、CNC線切割機、CNC鉆孔機、專用機…等等
產業機械絲桿——印刷機、造紙機、自動化機械、紡織機、繪圖機。
電子機械絲桿——量測儀器、x-y平臺、醫學設備、工廠自動化設備、PCB鉆孔機、IC封裝機、半導體設備、工廠自動化設備…等
輸送機械滾珠螺桿——Robort Stage、材料搬送設備、核能反應器,高度致動器…等
航天工業滾珠絲桿——飛機襟翼、機場負載設備。
精密工具機絲桿—-銑床、磨床、放電加工機、刀具磨床、齒輪加工機、鉆床、刨床
其它滾珠螺桿—-如天線使用的致動器、閥門開關裝置…等。

















